山東萬象環境科技有限公司
聯系人:趙經理
聯系電話:13645368788
客服Q Q:841106043
公司地址:山東省濰坊高新區新城街道玉清社區光電路155號濰坊高新區光電產業加速器(一期)1號樓301

PRODUCT
聯系人:趙經理
聯系電話:13645368788
客服Q Q:841106043
公司地址:山東省濰坊高新區新城街道玉清社區光電路155號濰坊高新區光電產業加速器(一期)1號樓301

產品型號:WX-SFA05
產品價格:電議
產品品牌:萬象系
一、水質浮標站產品簡介
1.水質浮漂監測站SFA集數據采集、存儲、傳輸和管理于一體的無人值守的采集系統。它在工農業生產、旅游、城市環境監測、地質災害、防洪、供水調度、電站水庫水情管理等為目的水文自動測報系統;功能強大的上位機軟件可遠程觀測實時水雨情信息,具有數據庫、報表、下載等功能,用戶還可利用該功能完善的氣象軟件對記錄的數據作進一步的處理分析。
2.SFA05款浮標是由水質傳感器(水溫、電導率、PH、溶解氧、氨氮)、數據采集儀、通訊系統、供電系統、整體 支架、水質監測平臺六部分組成。同時可擴展 濁度、COD、葉綠素等多項水質要素。數據采集儀具有數 據采集、實時時鐘、數據定時存儲、參數設定和標準2G/4G(GPRS)通信功能。
二、水質浮標站產品特點
1.易部署:各類型探頭進行高度集成,安裝方便;提供免費云平臺服務,系統快速上線;
2.易維護:設備安裝后,自行工作即可,無需人工值守,也可以通過遠程監控的方式保障設備的正常運行;
3.易擴展:傳感器探頭均使用統一的通信協議,可以快速對接原設備,快速擴展監測參數;
4.低功耗:設備可以實現低功耗狀態下,長時間運行,增加設備使用的便利性;
5.實時性:設備監測到的數據實時傳輸至云平臺,提升環境數據反饋的及時性。
三、技術參數
1. 主體參數
| 產品名稱 | 描述 |
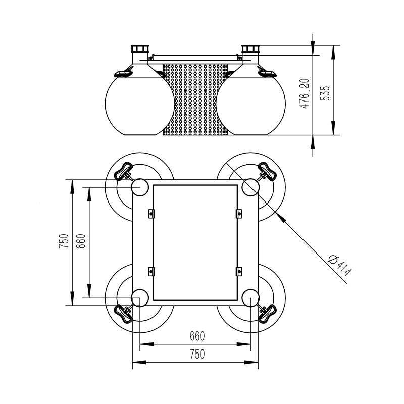
| 環境水質監測浮標 | 可實時實現多路參數在線監測。可實現電池電量監控。可實現云平臺數據監控、數據推送、數據的存儲和報警功能;數據的無線發射功能。峰值功耗為 5W;傳感器功耗 0.25W左右/只。外形尺寸:750mm*750mm*535mm。浮球直徑414mm重量:22kg |
| 采集器數據采集 | 運行可靠,抗干擾,可集成多路RS485/MODBUS-RTU從站設備 |
| 采集器數據輸出 | 1 路 Rs485/JSON協議輸出 |
| 電池 | 鋰電池 12VDC,20AH(默認) |
| 太陽能電池板 | 22.1V/50W(默認) |
| 供電能力 | 定制選型;陰雨天間歇工作 5天以上 |
| 位置指示(選配) | 警示燈;GPS 定位; |
| 監測平臺 | 云平臺;手機/電腦多終端登錄 |
| 防護罩 | 304 不銹鋼濾筒防護罩 |
| 浮體 | 直徑414mm 球形浮體*4工程塑料 |
2.可選配傳感器的主要參數
| 序號 | 名稱 | 測量范圍 | 測量原理 | 測量精度 | 是否標配 | 備注 |
| 1 | 溫度 | 0~50℃ | 高精度數字傳感器 | ±0.3℃ | ? | |
| 2 | pH | 0~14(ph) | 電化學(鹽橋) | ± 0.1PH | ? | |
| 3 | ORP | -1500mv~1500mv | 電化學(鹽橋) | ± 6mv | ||
| 4 | 電導率 | 0~5000uS/cm | 接觸式電極法 | ± 1.5% | ? | |
| 5 | 濁度 | 0~40NTU(低濁) | 散射光法 | ± 1% | 低濁可定制 | |
| 0~1000NTU(中濁) | 散射光法 | ± 1% | 中濁可定制 | |||
| 0~3000NTU(高濁) | 散射光法 | ± 1% | 默認發 | |||
| 6 | 溶解氧 | 0~20mg/L | 熒光壽命法 | ± 2% | ? | |
| 7 | 氨氮 | 0~100mg/l | 離子選擇電極法 | ±1mg | ? | |
| 8 | cod | 0~500mg/ L | UV254 吸收法 | ±5% | 帶有自動清潔器,可防止生物附著,避免光窗污染,以保證長期監測依然具有穩定性;可設置自動清潔時間及清潔次數,功耗0.7W | |
| 濁度 | 0~400NTU | 散射光法 | ± 1% | |||
| 9 | 懸浮物 | 0~2000mg/L | 散射光法 | ±5%(取決于污泥同質性) | ||
| 10 | 葉綠素 | 0~400ug/L | 熒光法 | R2>0.999 | 帶有自動清潔器,可防止生物附著,避免光窗污染,以保證長期監測依然具有穩定性;可設置自動清潔時間及清潔次數,功耗0.7W |
四、產品尺寸圖

五、設備安裝要求
1.遠離大功率無線電發射源
2.遠離高壓輸電線和微波無線電傳送通道
3.盡量靠近數據傳輸網絡
4.遠離強電磁干擾
六、云平臺介紹
1.CS架構軟件平臺,支持手機、PC瀏覽器直接觀測.無需額外安裝軟件。
2.支持多帳號、多設備登錄
3.支持實時數據展示與歷史數據展示儀表板
4.云服務器.云數據存儲,穩定可靠,易于擴展,負載均衡。
5.支持短信報警及閾值設置
6.支持地圖顯示、查看設備信息。
7.支持數據曲線分析
8.支持數據導出表格形式
9.支持數據轉發,HJ-212協議,TCP轉發,http協議等。
10.支持數據后處理功能
11.支持外置運行javascript腳本
校園自動氣象站:一所學校與天氣的對話
2025-11-11 08:36:56水文流量站:在青海省海南州上的優勢盡顯
2025-09-08 09:49:00水位雨量流速流量監測站:硬核設計,多維感知水文變化
2025-04-08 12:54:04水文監測系統:智馭水流,守護流域安全
2024-09-23 08:47:00農業四情監測系統——為農業生產提供科學決策依據
2024-07-29 08:45:46并網式光伏環境氣象站,從陽光到數據:氣象站如何解碼光伏發電密碼?
2025-11-04 11:05:08農業氣象監測站如何照顧作物?
2025-11-03 11:11:15能見度監測站,從模糊到清晰:一臺設備如何看透迷霧中的危險
2025-11-03 11:09:42稱重式雨雪量計-給雨雪“稱重”的氣象衛士
2025-11-21 10:32:50組串式EL測試電源一款專門捕捉光伏電池板內部的隱形問題的設備
2025-11-21 10:31:18