山東萬象環境科技有限公司
聯系人:趙經理
聯系電話:13645368788
客服Q Q:841106043
公司地址:山東省濰坊高新區新城街道玉清社區光電路155號濰坊高新區光電產業加速器(一期)1號樓301

PRODUCT
聯系人:趙經理
聯系電話:13645368788
客服Q Q:841106043
公司地址:山東省濰坊高新區新城街道玉清社區光電路155號濰坊高新區光電產業加速器(一期)1號樓301

產品型號:WX-B1
產品價格:電議
產品品牌:萬象系
一、光照傳感器產品簡介
光照傳感器又稱光照度傳感器,光照傳感器是一種用于測量光照強度的傳感器,簡稱照度,工作原理是將光照強度值轉為電壓值,主要用于農業林業溫室大棚培育等。
山東萬象環境科技有限公司作為專業研發生產氣象傳感器的企業,一直致力于氣象傳感器和氣象環境解決方案推廣應用。具有完整的生產鏈、實力雄厚的技術團隊和全面的營銷團隊,我們研發生產的傳感器已廣泛應用到智慧農業、氣象監測、城市環境監測、風力發電、航海船舶、航空機場、橋梁隧道等領域,客戶遍布全國各地,并取得了良好的社會效益和經濟效益。
二、產品特點
1、抗干擾能力強,具有看門狗電路,自動復位功能,保證系統穩定運行
2、高集成度,無移動部件,零磨損
3、免維護,無需現場校準
4、采用ASA工程塑料室外應用常年不變色
5、產品設計輸出信號標配為RS485通訊接口(MODBUS協議);可選配232、USB、以太網接口,支持數據實時讀取☆
6、可選配無線傳輸模塊,最小傳輸間隔1分鐘
三、技術參數
1、光照:0-20W LUX(5%)
2、功率:0.24W
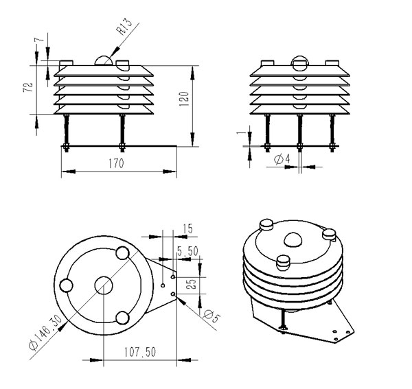
四、產品尺寸圖

五、產品結構圖

校園自動氣象站:一所學校與天氣的對話
2025-11-11 08:36:56水文流量站:在青海省海南州上的優勢盡顯
2025-09-08 09:49:00水位雨量流速流量監測站:硬核設計,多維感知水文變化
2025-04-08 12:54:04水文監測系統:智馭水流,守護流域安全
2024-09-23 08:47:00農業四情監測系統——為農業生產提供科學決策依據
2024-07-29 08:45:46并網式光伏環境氣象站,從陽光到數據:氣象站如何解碼光伏發電密碼?
2025-11-04 11:05:08農業氣象監測站如何照顧作物?
2025-11-03 11:11:15能見度監測站,從模糊到清晰:一臺設備如何看透迷霧中的危險
2025-11-03 11:09:42稱重式雨雪量計-給雨雪“稱重”的氣象衛士
2025-11-21 10:32:50組串式EL測試電源一款專門捕捉光伏電池板內部的隱形問題的設備
2025-11-21 10:31:18